开云十大最新推荐

送丝厚壁管焊系统
TOA系列全位置管管焊枪

销售热线: 0512-57328118

产品概述

该焊枪是专为中厚壁管管、管弯头、管三通TIG焊接设计的专用焊枪,适用于3~20mm壁厚管的全位置焊接。可焊接碳钢、不锈钢、双相钢等材质。可选择采用填丝或自熔两种方式。自带一体式送丝机可实现无缠绕送丝,并具有自动弧长横摆功能。可与iArc400程控焊接电源配套使用,可精密实现TIG全位置焊接,重现性高,达到理想的焊接效果。主要应用于化工、食品、工程安装、工业管道、船舶、锅炉、军工和核电等行业。

性能特点

 主要部分采用铝制,结构轻巧,卡钳式装夹方式可适用于不同管径;
 采用无间隙齿轮传动设计、旋 转平稳、转动惯量小,无卡阻现象;
 机械靠模导向机构,使钨极及工件表面的距离保持恒定;
 适用薄壁碳钢、不锈钢材质的管道焊接;

 焊枪循环水冷,连续工作时间长;
 可自熔、加丝焊接;
 广泛应用于管管、管弯头、管法兰、管阀门等多种接头的现场安装;
 


技术参数

TOA77

TOA130

TOA180

TOA230

TOA275

TOA320

可焊材质

碳钢、不锈钢

碳钢、不锈钢

碳钢、不锈钢

碳钢、不锈钢

碳钢、不锈钢、合金钢

碳钢、不锈钢

可焊管径(mm)

内夹钳:
Φ19.05~Φ45
(3/4″~13/4″)

内夹钳:
Φ38.1~Φ76
(1 1/2″~3″)

内夹钳:
Φ50.8~Φ114.3
(2″~4 1/2″)

内夹钳:
Φ120~Φ178
(4 1/2″~7")

内夹钳:

φ48~180

内夹钳:
Φ150~Φ230
(6″~9″)

外夹钳:
Φ45~Φ77
(1 3/4″~3″)

外夹钳:
Φ76~Φ130
(3″~5″)

外夹钳:
Φ114.3~Φ180
(4 1/2″~7″)

外夹钳:
Φ178~Φ230
(7″~9″)

外夹钳:

φ180~275

外夹钳:
Φ230~Φ324
(9″~12 3/4″)

钨极直径(mm)

Φ2.4、Φ3.2

Φ2.4、Φ3.2

Φ2.4、Φ3.2

Φ2.4、Φ3.2

Φ2.4、Φ3.2

Φ2.4、Φ3.2

旋转速度(rpm)

0.19~3.8

0.11~2.2

0.09~1.8

0.05~1.0

0~0.9;旋转速度偏差≤3%

0.026~0.52

保护气体

氩气

氩气

氩气

氩气

氩气

氩气

冷却方式

水冷

水冷

水冷

水冷

水冷

水冷

冷却流量(ml/min)

≥300

≥300

≥300

≥300

≥300

≥300

横摆宽度(mm)

20

40

40

40

40

40

弧长高度(mm)

40

40

40

40

40

40

焊丝直径(mm)

Φ1.0(标配)

Φ1.0(标配)

Φ1.0(标配)

Φ1.0(标配)

φ1.0(标配)

Φ1.0(标配)

最大送丝速度 (mm/min)

1800

1800

1800

1800

2000

1800

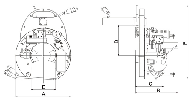
主要尺寸(mm)







A

220

300

375

425

475

550

B

180

235

285

300

278

315

C

112~132

156~196

184~224

195~235

200~240

230~270

D

92

165

225

250

273

297

E

82

132

182

232

282

328

F

320

400

525

570

607

680

重  量 
(kg)

5.5(不含电缆)

10.8(不含电缆)

19.5(不含电缆)

21.5(不含电缆)

19.5(不含电缆)

36(不含电缆)

外形尺寸(mm)

370×220×320

435×300×400

445×375×525

465×425×570

408×475×607

430×610×680

技术参数



相关标签:管管焊