开云十大最新推荐

管板焊接系统
TPN25全位置内孔焊枪

销售热线: 0512-57328118

产品概述

 该焊枪是为内孔管子、管板内孔TIG焊接设计的专用焊枪,焊接材料可以为碳钢、不锈钢等,管板内孔直径≥Φ25mm;根据焊接工艺需要可选择自熔、填丝或先自熔后填丝等。可与iOrbital5000程控焊接电源配套使用,可精密实现全位置TIG内孔焊接,焊接结果重现性高,可达到理想的焊接效果。主要应用于锅炉、换热器、电建、化工等行业的特殊管板形式自动化焊接。

性能特点

 内孔加丝,满足多种工艺需求;

 驱动采用进口的空心杯直流伺服电机,在转速范围内无级调速。所有的水、电、气的管、线均无缠绕;

 具有自动弧长控制功能,也可关闭该功能手动调节弧长;

 采用特制的水冷TIG焊枪的结构形式;

 送丝无缠绕,自带一体式送丝机,可装1.0kg丝盘。

 


技术参数

可焊材质

碳钢、不锈钢

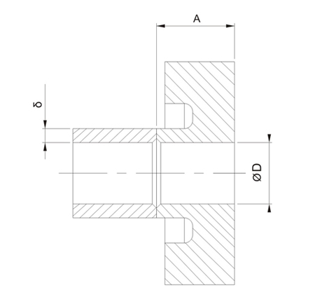
可焊管径(mm)ØD

≥Φ25

伸进长度(mm)A

20~80

管板形式

管插接、管平齐

钨极直径(mm)

¢2.4

旋转速度(rpm)

0.37~7.39

弧长调节间距(mm)

15

最大送丝速度(mm/min)

1800

焊丝直径(mm)

Φ0.8

保护气体

氩气

冷却方式

水冷

冷却流量(ml/min)

≥300

重  量(kg)

12(不含电缆)

外形尺寸(mm)

570×290×510

 技术参数


相关标签:管管焊