开云十大最新推荐

机器人单体
M-20ia机器人

销售热线: 0512-57328118

产品概述

M-20iA型机器人为6轴增强型工业机器人即关节型手臂机器人,采用的新型交流伺服电机具有结构紧凑、高输出、响应快、高可靠性等特点。机器人的手臂具有细长而紧凑的设计,由于各个轴的动态性能高,保证了优良的焊接精度、速度和可重复性。 

高强度的手臂与先端的伺服控制技术有效提高了各轴的动作速度及加减速的性能。运动的作业时间缩短15%以上,实现了行业内较高的生产能力。电机传动轴上安装有制动器,通过闭合电路原理动作,在失电的情况下自动抱闸,避免危险性的运动。


性能特点

M-20ia机器人

多功能智能小型机器人


技术参数

结     构

垂直多关节形(6自由度)

 

单轴最大 
动作范围

轴1(回旋)

340o

轴2(上臂)

260 o

轴3(下臂)

458o

轴4(手腕回旋)

400 o

轴5(手腕摆动)

360 o

轴6(手腕回转)

900 o

 

单轴最大 
运动速度

轴1

195 o /s

轴2

175o /s

轴3

180 o /s

轴4

360 o /s

轴5

360 o /s

轴6

550 o /s

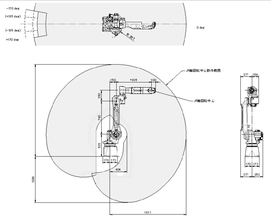
外侧最大工作半径

1811 mm

内侧最小工作半径

317 mm

重复定位精度

±0.08mm

负载质量

轴6最大荷载20kg

重量

250 kg

安装方式

直立/悬挂

 


相关标签:机器人智能制造系统

上一篇:没有了
下一篇:KR10 机器人